Inductor Design For Dc Dc Converter
Selecting coupled inductors for sepic applications selecting inductors to drive leds. There are 4 basic types of non isolated dcdc converter.

Pcb Design For Low Emi Dc Dc Converters Article Mps
Hardware Design Of Dc Dc Converters

Research Paper Engineering Design Of Dc Dc Boost Converter For
This article walks both the experienced.

Inductor design for dc dc converter. To be clear the other common use of the boost converter is for ac to dc power supplies for power factor correction and that requires a complete and separate treatment. Selecting the best inductor for your dc dc converter leonard crane coilcraft abstract proper inductor selection requires a good understand ing of inductor performance and of how desired in cir cuit performance relates to the information available in supplier data sheets. Inductor selection chart a visual guide to sizeperformance.
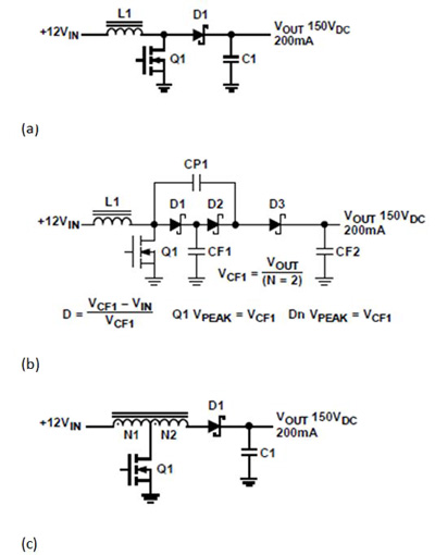
Slva157 4 choosing inductors and capacitors for dcdc converters figure 5. The buck type converter schematic is shown in figure 8 5 and the buck type dc to dc converter is shown. In order to compare types and choose the optimal part for the application a designer must rely on correctly understanding published specifications.
The inductance of an iron core inductor carrying direct current and having an air gap may be expressed as. Inductor current can be reduced in a dc dc converter by increasing the size of the inductor and the duty cycle at which the system operates. Inductors that can be used in dcdc converters come in a wide variety of shapes and sizes fig.
The buck dc dc converter is employed to step voltages down without isolation and utilizes an inductor as an energy storage element. Choose the best option for your design using the comparation tool of doeeet. Selecting the best inductor for your dc dc converter leonard crane coilcraft abstract proper inductor selection requires a good understanding of inductor performance and of how desired in circuit performance relates to the information available in sup plier data sheets.
Power inductor finder a parametric search engine. Dc inductor design using gapped cores. This article will explain how to choose the correct inductor for optimum performance.
Any of the following design guides will explain the operation of the inductor in more detail. Design and selection of the boost inductor. Selecting the best inductor for your dc dc converter.
The duty cycle and inductor size can be changed as long as the same amount of energy is stored by the inductor and then injected to the output each time period. Inductor performance in high frequency dc dc converters determining inductor power losses. Design and selection of the input capacitors.
Harnessing this voltage is what enables dcdc converters to generate higher and lower voltages from the input supply. This article walks both the experi enced power conversion specialist and. Tps62204 16v efficiency vs load current vs input voltage with 47 uh wire wound inductor rdc 240 mw isat 700 ma output capacitor the designer can downsize the output capacitor to save money and board space.

Inverting Converter Design Cuk Converter Design

Developing Dc Dc Converter Control With Simulink Modeling

How Do I Select The Right Inductor For A Dc Dc Converter

Buck Converter Design Demystified Power Electronics

The Quick And Easy Way To Design Emi Filters Online

Boost Switching Converter Design Equations

Placement Of Inductors Basic Knowledge Rohm Tech Web

Stacked Spiral Inductor Design And Modeling For Fully

Single Ended Primary Inductor Converter Wikipedia

Ltc3252 0903 Mag Reference Design Dc To Dc Multi Output

Achievements Showcase Research Cpes

Dc Dc Converter Topologies And Techniques To Obtain High
Comments
Post a Comment